Hjem / Nyheder

Nyheder

Sådan males transportkæden korrekt

Sådan males transportkæden korrekt

Hvordan man maler Transportørkæde korrekt: 1. Overfladen, der er blevet sprøjtet og støvet af Conveyor Chain, skal omgående g...

Hvad er kraftelementerne i industrielle tandhjul

Hvad er kraftelementerne i industrielle tandhjul

Kraften af Industrielt tandhjul består af to elementer: hastighed og drejningsmoment; som begge kan overføres gennem gear. Når vandhj...

Leaf Chain Producent introducerer hvad er ingredienserne i kædesmøremidler

Leaf Chain Producent introducerer hvad er ingredienserne i kædesmøremidler

Der findes mange typer kædesmøremidler på markedet. Bladkæde producenten introducerede hvad er ingredienserne i kædesmøremidler: ...

Industriel kædefabrikant introducerer kædens smøreform

Industriel kædefabrikant introducerer kædens smøreform

Typen af ​​kædesmøring vil variere afhængigt af den måde, kæden bruges på. Industriel kæde producenten indførte, at de fleste kædedre...

Silent Chain Producenter introducerer forholdsreglerne for installation af tandhjul

Silent Chain Producenter introducerer forholdsreglerne for installation af tandhjul

Silent Chain Producenter introducerer, hvad man skal være opmærksom på, når man installerer tandhjulet 1. Vælg den korrekte tan...

Motorcykelkædeproducenter introducerer egenskaberne ved kædetræk og gearrotation

Motorcykelkædeproducenter introducerer egenskaberne ved kædetræk og gearrotation

Motorcykel kæde Producenter introducerer egenskaberne ved kædetræk og gearrotation: 1. Kædetræks egenskaber: ①Sammenlignet...

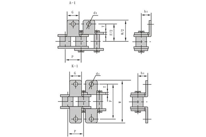
Rullekædens struktur

Rullekædens struktur

Strukturen af Rullekæde : Den ydre kædeplade og stiftakslen, den indvendige kædeplade og muffen er henholdsvis forbundet me...

Drivkædeproducenter introducerer almindelige varmebehandlingsmetoder til ophængning af kæder

Drivkædeproducenter introducerer almindelige varmebehandlingsmetoder til ophængning af kæder

Drivkæde Producenter introducerer almindelige varmebehandlingsmetoder til suspensionskæder: udglødning, normalisering, bratkøling, temp...

4 almindelige årsager til korrosion i landbrugskæden

4 almindelige årsager til korrosion i landbrugskæden

Hvis Landbrugskæde er korroderet under normal brug, er det nødvendigt at analysere årsagerne. 1. Undladelse af nøje at følg...

Hvordan man håndterer stick-slip-fænomenet i transmissionskæden korrekt

Hvordan man håndterer stick-slip-fænomenet i transmissionskæden korrekt

Hvis Transmissionskæde er stick-slip, vil det forårsage hyppige afbrydelser af produktionslinjen, reducere arbejdseffektiviteten og f...

Vedligeholdelsesproces for transportørkæde

Vedligeholdelsesproces for transportørkæde

Hvordan vedligeholdes Transportørkæde : 1. Stramheden af den rustfri ståltransportørkæde bør ikke være for stram eller for lø...

Tips til vedligeholdelse af industrikædehjul

Tips til vedligeholdelse af industrikædehjul

Hvordan vedligeholdes Industrielt tandhjul : 1. Kædens stramhed må ikke være for stram eller for løs, ellers vil kæden blive bes...