Hjem / Nyheder

Nyheder

Transmissionskædens designfilosofi og arbejdsgang

Transmissionskædens designfilosofi og arbejdsgang

Transmissionskæde , som en fælles transmissionskraftanordning, reducerer friktionskraften gennem "kæde"-designet af hyperbolsk bue. Den...

Hvordan reducerer rullekæde dannelsen af ​​statisk elektricitet

Hvordan reducerer rullekæde dannelsen af ​​statisk elektricitet

Rullekæde ligner en tankkæde og er sammensat af mange enhedsled. Linkene kan rotere frit. Den indvendige højde, udvendige højde og stig...

Forklar kort, hvorfor rullekæden bliver korroderet

Forklar kort, hvorfor rullekæden bliver korroderet

På grund af arbejdsmiljøet i Rullekæde , vil der naturligvis være noget korrosion, så hvad er hovedårsagen til, at Rullekæden er korr...

Drivkædeproducenten introducerer, hvorfor kædetransporttiden vil være forudindtaget

Drivkædeproducenten introducerer, hvorfor kædetransporttiden vil være forudindtaget

Kædetransmission og transport kan langsomt have fejl. Selvom det ikke er meget stort, men akkumulering af tid, vil der være nogle fejl i transmissi...

Hvordan man effektivt forhindrer transmissionskæde i at fungere

Hvordan man effektivt forhindrer transmissionskæde i at fungere

I produktionsprocessen af Transmissionskæde , hvis kæden svigter, skal producenten finde den bedst egnede løsning i henhold til den s...

Hvad er de almindelige fejl ved transportbånd

Hvad er de almindelige fejl ved transportbånd

Transportørkæde er meget udbredt i industrielle kæder, såsom fødevaretransportmaskiner, gødningstransportudstyr, minemaskinekæder osv....

Forholdsregler for vedligeholdelse af bladkæder

Forholdsregler for vedligeholdelse af bladkæder

Hvornår Bladkæde er installeret, når kæden aktiveres, er det nødvendigt at kontrollere, om kæden fungerer normalt, og om savkædens sp...

Sådan vedligeholdes industrielt tandhjul

Sådan vedligeholdes industrielt tandhjul

I vedligeholdelse af Industrielt tandhjul , vær opmærksom på tandformen på kædehjulet. Tandformen på kædehjulet skal sikre, at kæden...

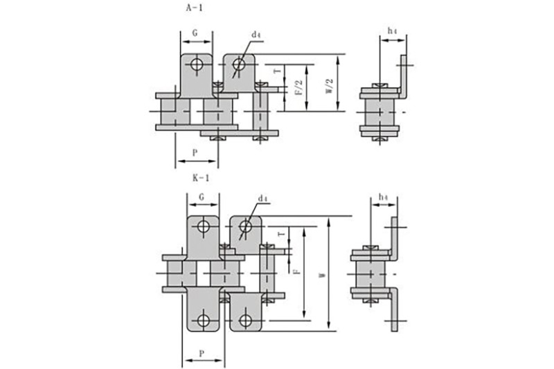
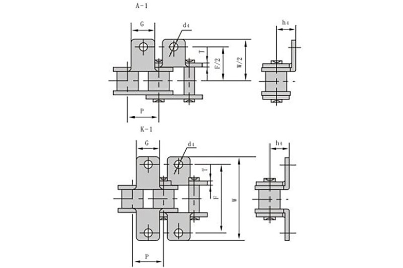
Skal antallet af rullekædeled være lige

Skal antallet af rullekædeled være lige

Rullekæde kædelængde er udtrykt ved antallet af led. Antallet af kædeled er fortrinsvis et lige tal, således at når kæderne danner en ...

Industrielt tandhjul er et solidt eller eger gear

Industrielt tandhjul er et solidt eller eger gear

Industrielt tandhjul henviser til et hjul med spændetænder af tandhjul, som bruges til at gribe ind i en blok med en nøjagtig stigning...

Sådan vedligeholdes industrikæden for at forlænge levetiden

Sådan vedligeholdes industrikæden for at forlænge levetiden

Industriel kæde vil blive slap eller endda afbrudt efter lang tids brug, og hvordan forebygger man sådanne problemer? Kædespændin...

Trin til udskiftning af motorcykelkæde

Trin til udskiftning af motorcykelkæde

Når Motorcykel kæde skal udskiftes, skal det bemærkes, at kæde og kædehjul skal udskiftes sammen. Den nye kæde vil fremskynde ældning...