Hjem / Nyheder

Nyheder

Anvendelse af landbrugskæde i landbrugsautomatisering

Anvendelse af landbrugskæde i landbrugsautomatisering

For industrikæder er dens anvendelighed i alle samfundslag relativt stor. Det kan ses, at vores produktion er uadskillelig fra samarbejdet mellem i...

Transmissionskædens unikke fordele

Transmissionskædens unikke fordele

Kæden kan opdeles i transmissionskæde, løftekæde og trækkæde. Løftekæder og trækkæder bruges til løfte- og transportmaskiner. Transmissionskæder er...

Hvad er trinene i transmissionskædedesign

Hvad er trinene i transmissionskædedesign

I design og produktionsprocessen af Transmissionskæde , er der fire kritiske trin: blanking, fletning, svejsning, "formning" og varme...

Fire smøremetoder brugt i transportkæde

Fire smøremetoder brugt i transportkæde

I kædebranchen, Transportørkæde er en almindeligt anvendt kædetype. Den har også brug for vedligeholdelse af smøreolie under brugen. ...

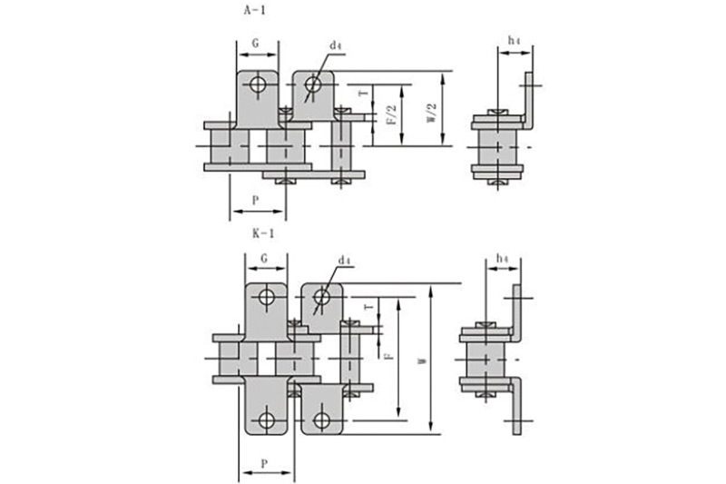
Hvad er funktionerne i Leaf Chain

Hvad er funktionerne i Leaf Chain

Fordi vingekædens komponenter i størrelse svarer til standardrullekæden, afhænger den økonomiske produktion af vingekæden i høj grad af fabrikken, ...

Struktur og egenskaber af Silent Chain

Struktur og egenskaber af Silent Chain

Strukturen af Silent Chain er meget enkel: kun brædder og stifter. Der er otte forskellige stigninger fra 9,52 mm til 50,8 mm. L...

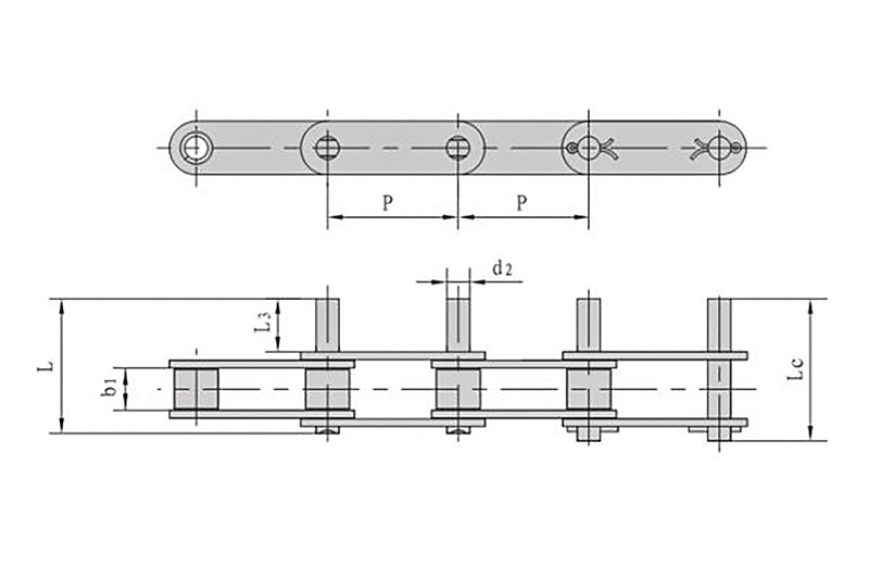
Oplysninger om rullekædegaranti

Oplysninger om rullekædegaranti

Den Rullekæde består af en indvendig kædeplade, en ydre kædeplade, en stift, en ærme og en rulle. Denre is an interference fit b...

Industrielt tandhjul vil blive slidt i lang tid

Industrielt tandhjul vil blive slidt i lang tid

Det vil vi alle finde ud af, hvis vi bruger Industrielt tandhjul i lang tid vil vi opdage, at Industrial Sprocket har et slid-fænomen...

Forskellen mellem industrielt kædehjul og synkron remskive

Forskellen mellem industrielt kædehjul og synkron remskive

Et tandhjul er også et tandhjul, som bruges til nøjagtigt at gribe ind i stigningskæderingen eller stigningen på kablet. Det tilhører en solid elle...

Hvilken slags smøremiddel er egnet til industriel kæde

Hvilken slags smøremiddel er egnet til industriel kæde

Det flydende olieagtige stof, der bruges til kædesmøring, har funktionerne smøring, rustforebyggelse, vandtæt og antifriktion til industrielle kæde...

Drivkædedesign er overalt i livet

Drivkædedesign er overalt i livet

Drivkæde design er overalt i livet. Så hvordan er drivkædens princip designet? Drivkæde er en transmissionsmetode, der overfører bevæg...

Landbrugskædefabrikant introducerer vedligeholdelsesmetode for mekanisk kæde

Landbrugskædefabrikant introducerer vedligeholdelsesmetode for mekanisk kæde

Med hensyn til vedligeholdelse af mekaniske kæder vil følgende blive beskrevet af producenten af hzqjchain Landbrugskæde baseret på d...